登录
退出
注册
吉林省政府网
吉林市政府网
首页
机构职能
法律法规
政策发布及解读
政府信息公开
服务之窗
互动交流
首页
机构职能
领导简介
梁荣罡
党组书记 局长
王剑
党组成员、就业局局长
张文波
党组成员、副局长
杨旭东
党组成员、副局长
孙敬元
党组成员、驻局纪检监察组组长
内设机构
更多>>
吉林市人力资源...
办公室
法规处(调研处)
行政审批办公室
劳动监察处
规划财务处
就业促进与失业...
人才开发处
人力资源市场处
职业能力建设处...
专业技术人员管...
事业单位工资福利处
事业单位人事管理处
劳动关系处
养老保险处(农...
工伤保险处(吉...
审计监督处(吉...
调解仲裁管理处...
市绩效管理办公...
机关党委
人事处
法律法规
国家法律法规
国务院办公厅关于进一步加大稳就业政策支持力度的通知
中共中央组织部、人力资源社会保障部关于印发《事业单位工作人员处分规定》的通知
保障农民工工资支付条例
关于转发 «中共中央组织部 人力资源社会保障部关于印发 ‹事业单位工作人员培训 规定› 的通知» 的通知
中华人民共和国行政复议法
中华人民共和国劳动合同法
女职工劳动保护特别规定
地方性法规规章
吉林省人民政府办公厅关于印发《吉林省促就业增量政策举措》的通知
保障农民工工资支付条例
关于做好贯彻落实企业年金办法有关工作的通知
关于调整社会保险缴费基数政策的通知
关于2019年调整退休人员基本养老金的通知
吉林省关于调整城乡居民基本养老保险基础养老金标准、个人缴费标准的通知
吉林省关于建立城乡居民基本养老保险待遇确定和基础养老金正常调整机制的实施意见
政策发布及解读
政策发布
人力资源社会保障部 财政部关于2025年调整退休人员基本养老金的通知
人力资源社会保障部等10部门关于进一步加强农民工服务保障工作的意见
全国人民代表大会常务委员会关于实施渐进式延迟法定退休年龄的决定
国家统计局 人力资源社会保障部关于印发《统计专业技术资格规定》和《统计专业技术资格考试实施办法》的通知
关于印发《吉林市创业孵化示范基地管理办法》的通知
关于印发《吉林省人社领域助力民营经济发展壮大若干举措》的通知
关于印发《吉林市市级人力资源服务产业园管理暂行办法》的通知
政策解答
【一图看懂】怎么订立电子劳动合同?知识帖来了
【一图看懂】如何促进进城农民工均等享有城镇基本公共服务?
【一图看懂】@统计专业人员:新规来了,速看→
延迟法定退休年龄改革的主要特点是什么?
国家统计局人事司、人力资源社会保障部专业技术人员管理司有关负责人就《统计专业技术资格规定》和《统计专业技术资格考试实施办法》答记者问
《吉林市创业孵化示范基地管理办法》政策解读
《吉林省人社领域助力民营经济发展壮大若干举措》政策问答
政府信息公开
信息公开指南
信息公开年报
信息公开目录
依申请公开
权责清单
双公示
服务之窗
表格下载
单位申报工伤认定操作手册
个人申报工伤认定操作手册
因病或非因工致残人员丧失劳动能力鉴定申报相关材料
企业单位诚信档案
诚信等级评价评价表(在建项目)
企业诚信评价申报表
2021—2022年度企业单位劳动保障守法诚信等级评价相关表格
办事指南
吉林市应届高校毕业生档案转接相关程序(流程)
退休“一件事”经办流程图
企业职工退休资格预审业务经办流程图
吉林市退休“一件事”经办指南
吉林市企业职工退休资格预审业务经办指南
重点群体人员享受税收政策资格认定办事指南
市本级农村劳动力职业技能培训定点机构审核认定办事指南
站内搜索
一网搜索
政务服务
政务服务
互动交流
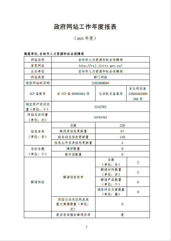
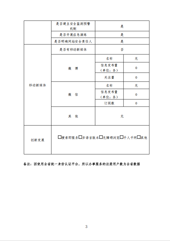
2025年吉林市人力资源和社会保障局政府网站工作年度报表
时间:
2026-01-13 10:36
初审初校:于 杨
复审复校:李中博
终审终校:付铁峰
站群导航
站群导航
|
市人大
|
市政协
|
市纪委监委
|
市委政法委
|
市法院
|
市检察院
|
县(市)区政府
|
市政府工作部门
|
市州政府网站
|
各省市政府网站
|
国家部委网站
|
新闻媒体
市人大
|
市政协
|
市纪委监委
|
市委政法委
|
市法院
|
市检察院
|
县(市)区政府
|
市政府工作部门
市州政府网站
|
各省市政府网站
国家部委网站
|
新闻媒体